Profile
| Tech.Zeichnung | Bezeichnung | Abmessungen | Art.-Nr. | Lieferzeit |
|---|---|---|---|---|
|
Konstruktionsprofil | 50x50 Nut 10 | 5001 | 1 Werktage |
|
Konstruktionsprofil | 50x100 Nut 10 | 5002 | 1 Werktage |
|
Konstruktionsprofil | 100x100 Nut 10 | 5003 | 1 Werktage |
|
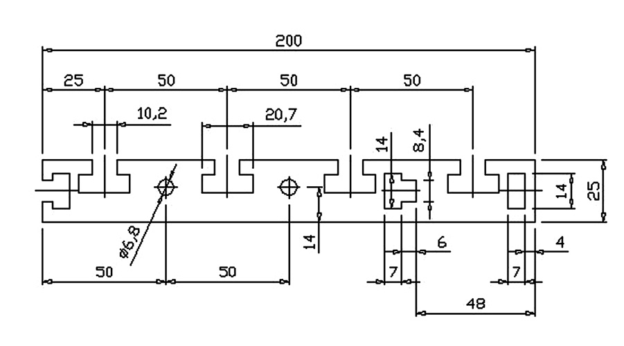
Konstruktionsprofil | 25x200 Nut 10 | 5004 | 1 Werktage |



